产品概述
JRF系列燃煤热风炉为通用性热风装置,与各种物料的干燥设备配套使用。广泛用于粮食、种子、饲料、果品、脱水蔬菜、香茹、木耳、银耳、茶叶、烟叶等农产品、食品、医药品、化工原料、轻重工业产品的加热除湿,还可用于各种设施的加热以及库房除湿等。
400-822-0082
在线联系

该炉为通用性热风装置,与各种物料的干燥设备配套使用。广泛用于粮食、种子、饲料、果品、脱水蔬菜、香茹、木耳、银耳、茶叶、烟叶等农产品、食品、医药品、化工原料、轻重工业产品的加热除湿,还可用于各种设施的加热以及库房除湿等。
采取了耐高温措施,从而使其寿命比列管式热风炉大大延长,并采用了烟气纵向冲刷散热片和负压式排烟方式,换热部位不积灰尘,无须清理,热性能稳定。可用各种煤或柴作燃料,并配有二次进风装置燃烧完全。该炉的各项技术经济指标均达到了国内较好水平。
| 名称\型号 | JRF-15 | JRF-20 | JRF-30 | JRF-40 | JRF-60 | JRF-80 | JRF-100 |
| 内筒直径 | 760 | 760 | 1170 | 1170 | 1470 | 1670 | 1870 |
| 外筒直径 | 1280 | 1280 | 1840 | 1840 | 2200 | 2460 | 2700 |
| 总高 | 3500 | 3500 | 4260 | 4760 | 4810 | 5110 | 5310 |
| 设备重量 | 3.15T | 3.65T | 6.8T | 7.5T | 9.8T | 11.7T | 13.5T |
| 热风出口直径 | 300 | 300 | 500 | 500 | 500 | 600 | 600 |
| 热风出口高度 | 1585 | 1585 | 1670 | 1670 | 1670 | 1770 | 1770 |
| 烟气出口直径 | 250 | 250 | 250 | 250 | 250 | 300 | 320 |
| 烟气出口高度 | 2050 | 2050 | 2220 | 2220 | 2220 | 2385 | 2385 |
| 牛角弯头型号 | XZD/G φ578 | XZD/G φ810 | |||||
| 每小时耗煤量 | 43kg | 57kg | 85kg | 115kg | 170kg | 230kg | 286kg |
| 煤的燃烧值 |
5000kcal/h |
||||||
| 热效率 | 70-75% | 75-80% | |||||
| 引烟风机型号 | Y5-47-3.15C-1.5KW | Y5-48-4C-2.2KW | Y5-48-4C-3KW | Y5-47-4C-3KW | Y5-47-4C-4KW | Y5-47-5C-7.5KW | |
敬告注意:
环境基准温度标准按18℃±2℃.煤的热值以5000kcal/kg计算。
表中热风温度是按输出风量确定的。热风炉JRF4型的热风温度可达200℃以上, JRF5、JRF6型热风温度可达300℃以上(特殊制造可达500℃以上),用户根据需要进行调整。
热风炉烟窗配置高度: JRF4型3—5米, JRF5、 JRF6型为5—8米。
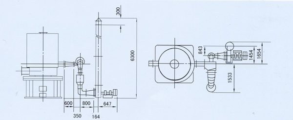
表中外形尺寸对应位置见热风炉安装示意图。
炉膛下部内侧壁上的耐火层以炉蓖处为起点,其高度: JRF4-4型为0.5米,可现场安装。
JRF6型为链条炉排式燃烧装置。
上一篇:DWP系列带式干燥机
下一篇:RLY系列燃油热风炉
近日,一步干燥2025年中工作总结会议以 “线上 + 线下” 的形式圆满召开。公司董事长查国才、总经理查文浩与各条线负责人、党员及…